OVERVIEW FAST RECOVERY DIODES

Device families grouped by repetitive voltage class and chip diameter

URRM, URSM19 mm24 mm30 mm38 mm52 mm80 mm
4600 VDF433-250
4400 VDF443-400DF453-630
DF453-800
DF473-1600
DF473-2000
3600 VDF333-320DF373-2000
3400 VDF343-630DF353-800
DF353-1000
2600 VDF233-320
DF233-400
DF243-630
DF243-800
DF253-1000
DF253-1250
DF273-2500
2400 VDF271-320(X)
DF271-400(X)
1800 VDF361-200(X)DF143-800
DF143-1000
1600 VDF171-400(X)
DF133-500
1400 V DF251-160(X)
DF251-200(X)
DF261-200(X)
DF261-250(X)
DF261-320(X)
1200 V DF153-1250
600 V DF053-1600

Example order code

1.2.3.4.5.
DF1531250123
  1. Fast-recovery diode (device series)
  2. Design version
  3. Mean forward current IFAV, A
  4. Voltage code: 12 → 1200 V, 14 → 1400 V …
  5. Reverse-recovery-time group trr (A4 ≤ 10 µs; B4 ≤ 8 µs; C4 ≤ 6.3 µs; 1 ≤ 5 µs; 2 ≤ 4 µs; 3 ≤ 3.2 µs; 4 ≤ 2.5 µs)
FAST RECOVERY DIODES — ELECTRICAL PARAMETERS
Type URRM
V
IFAV
A @ TC
IFSM
kA / 10 ms
UFM/IFM
V / A @ 25 °C
UF(TO)
V
RT
mΩ
trr
µs @ -50 A/µs
RthJC
°C / W
Tjmax
°C
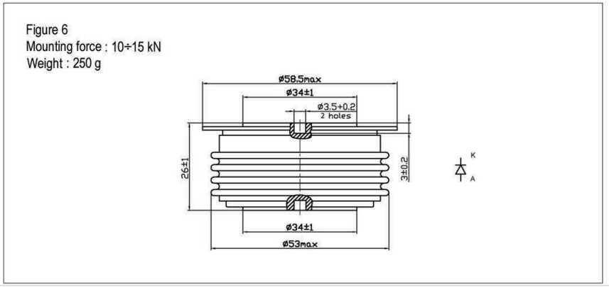
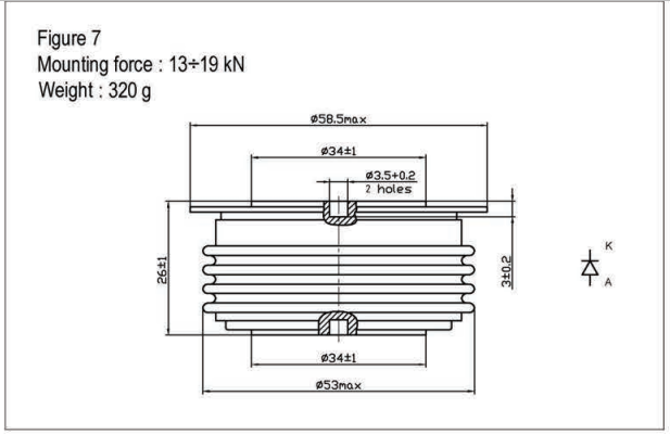
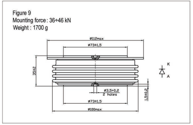
Fig.
DF251-160(X)600 ÷ 1400160 (103)3.52.4/5021.401.562.5; 3.2; 4.00.211701
DF251-200(X)600 ÷ 1400200 (103)4.31.8/6281.051.103.2; 4.00.211701
DF261-200(X)600 ÷ 1400200 (84)4.82.1/6281.101.202.0; 2.5; 3.20.121252
DF261-250(X)600 ÷ 1400250 (103)4.52.65/7851.201.603.2; 4.0; 5.00.121702
DF261-320(X)600 ÷ 1400320 (103)5.32.05/10050.801.203.2; 4.0; 5.00.121702
DF361-200(X)1000 ÷ 1800200 (82)4.82.0/6281.251.102.5; 3.2; 4.00.121252
DF171-400(X)800 ÷ 1600400 (80)9.01.9/12561.100.502.0; 2.5; 3.20.071253
DF271-320(X)1400 ÷ 2400320 (80)7.02.4/10051.300.882.5; 3.2; 4.00.071253
DF271-400(X)1400 ÷ 2400400 (70)8.02.3/12561.200.783.2; 4.0; 5.00.071253
DF133-500800 ÷ 1600500 (90)12.02.0/15701.150.472.0; 2.5; 3.20.041255
DF233-3201400 ÷ 2600320 (95)8.02.4/12561.300.882.5; 3.2; 4.00.041255
DF233-4001400 ÷ 2600400 (90)8.32.4/12561.300.882.5; 3.2; 4.00.041255
DF333-3202400 ÷ 3600320 (95)7.02.4/10051.550.902.5; 3.2; 4.00.041256
DF433-2503200 ÷ 4600250 (100)6.02.5/7851.351.554.0; 5.0; 6.30.041256
DF143-800800 ÷ 1800800 (80)14.02.3/25121.200.342.5; 3.2; 4.00.031257
DF143-1000800 ÷ 18001000 (77)15.02.2/31401.150.253.2; 4.0; 5.00.0271257
DF243-6301400 ÷ 2600630 (80)12.02.4/19781.500.552.0; 2.5; 3.20.031257
DF243-8001400 ÷ 2600800 (74)14.02.4/25121.400.483.2; 4.0; 5.00.0271257
DF343-6302400 ÷ 3400630 (82)13.02.3/19781.400.564.0; 5.0; 6.30.031257
DF443-4003200 ÷ 4400400 (85)7.03.6/12561.501.804.0; 5.0; 6.30.031257
DF053-1600200 ÷ 6001600 (86)30.01.4/50240.890.082.0; 2.5; 3.20.021258
DF153-1250600 ÷ 12001250 (87)27.01.6/39251.100.132.5; 3.2; 4.00.021258
DF253-10001400 ÷ 26001000 (82)21.02.2/31401.400.293.2; 4.0; 5.00.021258
DF253-12501400 ÷ 26001250 (73)22.02.3/39251.400.254.0; 5.0; 6.30.0191258
DF353-8002400 ÷ 3400800 (90)19.02.5/25121.350.413.2; 4.0; 5.00.021258
DF353-10002400 ÷ 34001000 (80)21.02.3/31401.350.334.0; 5.0; 6.30.021258
DF453-6303200 ÷ 4400630 (90)14.03.0/19781.400.805.0; 6.3; 8.00.021258
DF453-8003200 ÷ 4400800 (80)16.02.9/25121.400.706.3; 8.0; 100.021258
DF273-25001400 ÷ 26002500 (80)45.01.8/78501.250.086.3; 8.0; 100.011259
DF373-20002400 ÷ 36002000 (88)40.01.8/6281.200.1310; 12.5; 160.011259
DF473-16003200 ÷ 44001600 (86)36.02.3/50241.600.206.3; 8.0; 100.011259
DF473-20003200 ÷ 44002000 (76)40.02.4/62801.600.178.0; 10; 12.50.011259
0
Skip to Content
Wintech Automation LTD
Our Capabilities
Our Services
Power Semiconductor
About
Contact
Schedule a call
Wintech Automation LTD
Our Capabilities
Our Services
Power Semiconductor
About
Contact
Schedule a call
Our Capabilities
Our Services
Power Semiconductor
About
Contact
Schedule a call

Wintech automation LTD, Asa 10, Kiryat-Gat, Israel

+972 52-666-2506

info.wintech.automation@gmail.com

© 2025 Wintech Automation LTD