OVERVIEW FAST “S” STRONG DISTRIBUTED‑GATE THYRISTORS

Device families by repetitive voltage class and disc diameter

UDRM, URRM 32 mm 40 mm 55 mm 80 mm
1400 VTFI 153S‑800
TFI 153S‑1000
1200 VTFI 133S‑400TFI 173S‑1250
1100 VTFI 143S‑500

Example order code

1.2.3.4.5.6.7.8.
TFI153S100014772
  1. Fast strong distributed‑gate thyristor (“S” series)
  2. Design version
  3. Strong distributed anode field gate (S‑index)
  4. Mean on‑state current ITAV, A
  5. Voltage code (e.g. 14 → 1400 V)
  6. Critical rate of rise of off‑state voltage – group 6 ≥ 500 V/µs, group 7 ≥ 1000 V/µs
  7. Turn‑off‑time group tq @ 50 V/µs (8 ≤ 12.5 µs; A4 ≤ 10µs; 9 ≤ 8 µs; C4 ≤ 6.3 µs; E4 ≤ 5 µs)
  8. Turn‑on‑time group tgt (3 ≤ 3.2 µs)
“S” STRONG DISTRIBUTED‑GATE THYRISTORS – ELECTRICAL PARAMETERS
Type UDRM, URRM
(V range)
ITAV
(A @ TC)
ITSM
(kA / 10 ms)
UTM/ITM
(V / A @ 25 °C)
UT(TO)
(V)
RT
(mΩ)
tq
(µs @ 50 V/µs)
tgt
(µs @ 25 °C)
(di/dt)crit
non‑rep / rep
(A / µs)
(du/dt)crit
(V / µs)
IGT/UGT
(A / V)
RthJC
(°C / W)
Tjmax
(°C)
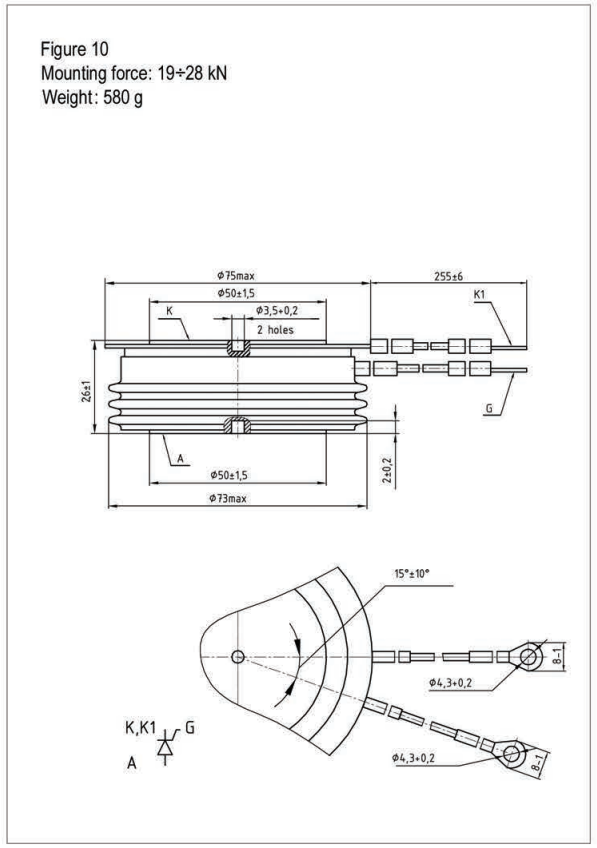
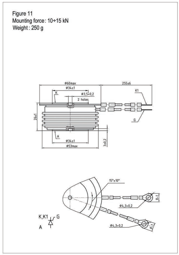
Fig.
TFI 133S‑400600 – 1200400 (81)6.53.0 / 12561.800.955; 6.32.51600 / 1000500; 10000.4 / 2.50.04012511
TFI 143S‑500300 – 1100500 (85)9.02.4 / 15701.450.715; 6.32.51600 / 1000500; 10000.35 / 2.50.03212511
TFI 153S‑800800 – 1400800 (83)19.02.6 / 25121.600.446.3; 8; 10; 12.52.51600  / 1000500; 10000.35 / 2.50.02112510
TFI 153S‑1000800 – 14001000 (78)20.02.3 / 31401.450.2910; 12.52.51600 / 1000500; 10000.35 / 2.50.02112510
TFI 173S‑1250800 – 12501250 (85)28.02.5 / 39251.600.1736.3; 82.52500 / 1250500; 10001 / 2.50.01512512
0
Skip to Content
Wintech Automation LTD
Our Capabilities
Our Services
Power Semiconductor
About
Contact
Schedule a call
Wintech Automation LTD
Our Capabilities
Our Services
Power Semiconductor
About
Contact
Schedule a call
Our Capabilities
Our Services
Power Semiconductor
About
Contact
Schedule a call

Wintech automation LTD, Asa 10, Kiryat-Gat, Israel

+972 52-666-2506

info.wintech.automation@gmail.com

© 2025 Wintech Automation LTD