OVERVIEW SURGE VOLTAGE SUPPRESSORS34

Device families grouped by breakdown-voltage class and disc diameter

UBR
(25 mA, 25 °C)
30 mm disc
100 – 2000 V DAS 233-400
200 – 3000 V DAS 343-400
300 – 3800 V DAS 443-400

Example order code

1.2.3.4.
DAS44340030
  1. Symmetrical surge-voltage suppressor (prefix “DAS”)
  2. Design version
  3. Peak dissipation rating PRSM, kW
  4. Voltage code (e.g. 30 → 3000 V breakdown class)
SURGE VOLTAGE SUPPRESSORS — ELECTRICAL PARAMETERS34
Type UBR
(25 mA, 25 °C)
V range
PRSM
(10 µs, 25 °C)
kW
IRM
mA
Temp-coefficient
of UBR
% / °C
Asym-mismatch
of UBR
%
F
(8/20 µs)
kW
RthJC
°C/W
Tjmax
°C
Fig.
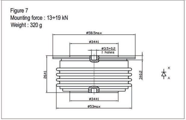
DAS 233-400 100 – 2000 4 5 0.15 7 8 × 10 0.05 140 5
DAS 343-400 200 – 3000 4 5 0.15 7 8 × 10 0.05 140 12
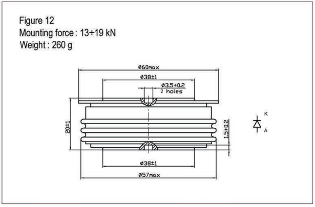
DAS 443-400 300 – 3800 5 7 0.15 7 8 × 10 0.05 140 7
0
Skip to Content
Wintech Automation LTD
Our Capabilities
Our Services
Power Semiconductor
About
Contact
Schedule a call
Wintech Automation LTD
Our Capabilities
Our Services
Power Semiconductor
About
Contact
Schedule a call
Our Capabilities
Our Services
Power Semiconductor
About
Contact
Schedule a call

Wintech automation LTD, Asa 10, Kiryat-Gat, Israel

+972 52-666-2506

info.wintech.automation@gmail.com

© 2025 Wintech Automation LTD